Pixhawk 6X 飞行控制器¶
Pixhawk6X® 是 Holybro 成功的 Pixhawk® (飞行)控制器系列的最新升级产品,具有 STM32H7 cpus、IMU 振动隔离、冗余 IMU、独立总线上的双冗余气压计、IMU 加热和用于与配套计算机高速连接的集成以太网。
Pixhawk6X:
购买地点¶
Pixhawk6 (飞行)控制器由以下公司销售 圣卡罗
Pixhawk6 系列的特点¶
Pixhawk 6X |
Pixhawk 6C |
Pix32 v6(即将推出) |
|
|---|---|---|---|
设计要点 |
额外冗余 |
低调 |
成本效益 |
模块化设计,可定制底板 |
成本效益 |
模块化设计,可定制底板 |
|
处理器 |
STM32H753 |
STM32H743 |
|
时钟速度 |
480 兆赫 |
||
IO 处理器 |
STM32F103 |
||
IMU 冗余 |
三重 |
双人 |
双人 |
IMU 温度控制 |
是 |
||
气压计冗余 |
双人 |
不适用 |
不适用 |
电源监控器 |
I2C |
模拟 |
模拟 |
UART |
8 |
7 |
7 |
CAN 总线 |
2 |
||
GPS/Compass 端口 |
2 |
||
UART 流量控制 |
3 个端口 |
2 个端口 |
2 个端口 |
附加 I2C |
是 |
||
以太网支持 |
是 |
没有 |
没有 |
SPI 端口 |
是 |
没有 |
没有 |
A/D |
6.6V、3.3V、RSSI |
RSSI |
RSSI |
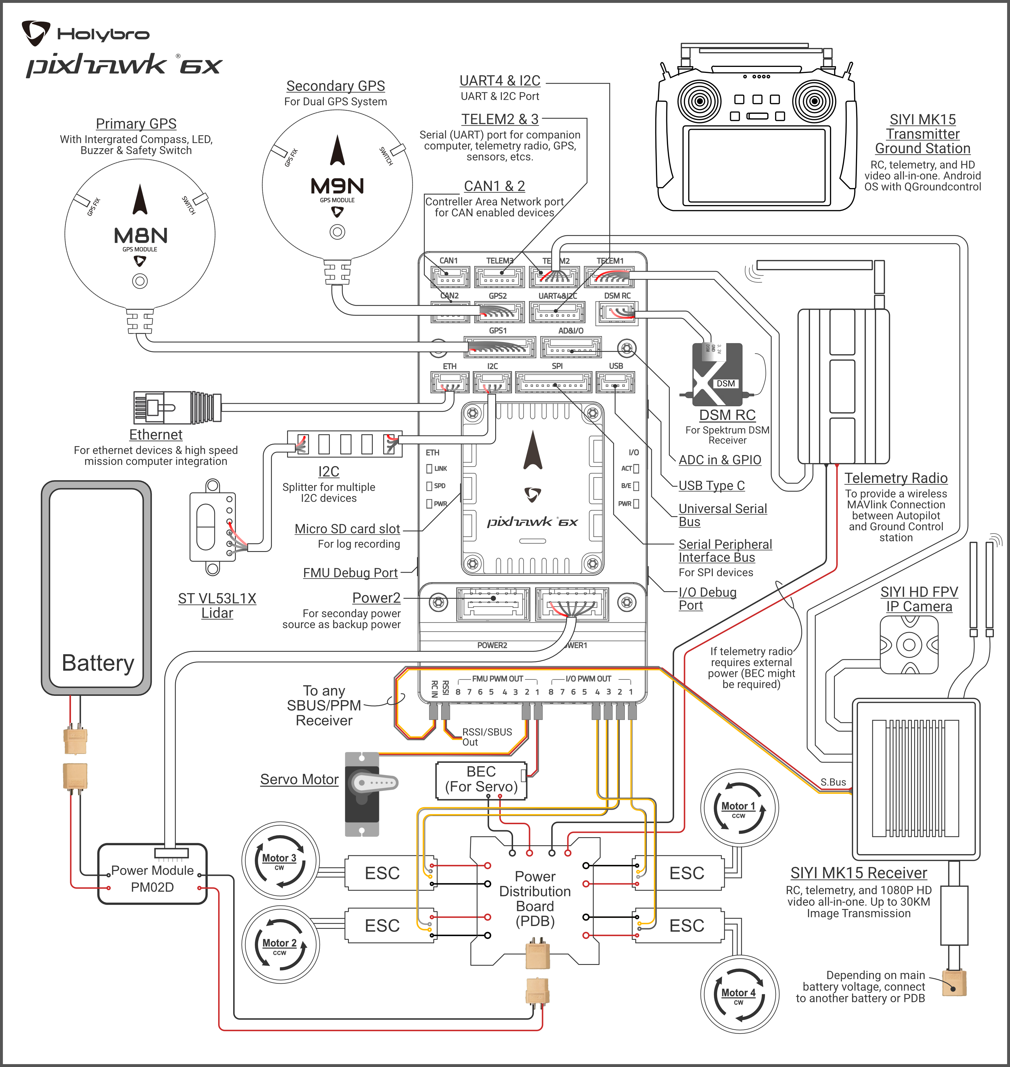
典型接线图¶
备注
所示为重复的遥控和遥测解决方案。通常不使用重复系统。
UART 映射¶
SERIAL0 -> USB
SERIAL1 -> UART7 (Telem1) RTS/CTS 引脚
SERIAL2 -> UART5 (Telem2) RTS/CTS 引脚
SERIAL3 -> USART1 (GPS1)
SERIAL4 -> UART8 (GPS2)
SERIAL5 -> USART2 (Telem3) RTS/CTS 引脚
SERIAL6 -> UART4(用户)
SERIAL7 -> USART3(调试)
SERIAL8 -> USB(MAVLink,协议变更后可用于 SLCAN)
RC 输入¶
RCIN 引脚默认映射为定时器输入,可用于所有 ArduPilot 支持的接收器协议,但 CRSF/ELRS 和 SRXL2 除外,因为它们需要真正的 UART 连接。不过,FPort 以这种方式连接时,只能提供 RC 而不提供遥测。
要在 Fport、CRSF 和 SRXL2 接收机中使用 CRSF 和嵌入式遥测技术,接收机连接需要使用完整的 UART,如 SERIAL6 (UART4)。下面是使用串行 6 的设置。
serial6_protocol 应设置为 "23"。
FPort 需要 serial6_options 设置为 "15"。
CRSF 将要求 serial6_options 设置为 "0"。
SRXL2 需要 serial6_options 设置为 "4",仅连接 TX 引脚。
任何 UART 都可用于 ArduPilot 中的遥控系统连接,并与除 PPM 之外的所有协议兼容。请参见 无线电控制系统 了解详情。
PWM 输出¶
Pixhawk6X 支持多达 16 路 PWM 输出。所有 16 个输出均支持所有正常的 PWM 输出格式。除 7 和 8 外,所有 FMU 输出还支持 DShot。
8 个 FMU PWM 输出分为 4 组:
第 1 组中的输出端 1、2、3 和 4
第 2 组中的输出端 5 和 6
第 3 组中的输出端 7 和 8
同一组中的 FMU 输出需要使用相同的输出率和协议。如果一个组中的任何输出使用 DShot,则该组中的所有通道都需要使用 DShot。
电池监测¶
电路板上有 2 个带 6 针连接器的专用电源监控器端口。它们与(飞行)控制器随附的 I2C 电源监控器一起使用。
备注
请勿尝试使用Mission Planner地面站设置->可选硬件->电池监控器选项卡为 Pixhawk6X 设置 I2C 电源监控器。默认情况下已经设置了其运行所需的参数:
BATT_MONITOR = 21
BATT_I2C_BUS = 1
BATT_I2C_ADDR = 65(用于低电压 (6S) 数字电源模块),= 69(用于高电压 (12S/14S) 数字电源模块)
备注
在 Ardupilot 4.4 及更高版本中,Pixhawk 6X 的 BATT_I2C_ADDR 默认为 0。 这将自动检测 I2C 地址,您无需更改 BATT_I2C_ADDR 参数。
指南针¶
Pixhawk6X 具有内置指南针。由于存在潜在干扰,(飞行)控制器通常与外部 I2C 罗盘一起使用,作为 GPS/Compass 组合的一部分。
GPIO¶
8 个 FMU 输出可用作 GPIO(继电器、按钮、RPM 等)。要使用它们,需要设置输出的 SERVOx_FUNCTION 为-1。参见 GPIO 页面获取更多信息。
ArduPilot 中 PIN 变量的 GPIO 编号为
FMU 针脚:
PWM1 50
PWM2 51
PWM3 52
PWM4 53
PWM5 54
PWM6 55
PWM7 56
PWM8 57
附加 GPIO
FMU_CAP1 58
NFC_GPIO 59
模拟输入¶
Pixhawk6X 有两个模拟输入端,一个为 6V 容差,另一个为 3.3V 容差。
ADC 引脚 12 -> ADC 6.6V 检测
ADC 引脚 13 -> ADC 3.3V 检测
模拟 3.3V RSSI 输入引脚 = 103
连接器¶
除非另有说明,所有连接器均为 JST GH
加载固件¶
电路板预装了与 ArduPilot 兼容的引导加载器,可通过任何与 ArduPilot 兼容的地面站加载 xxxxxx.apj 固件文件。
可以找到这些电路板的固件 这里 子文件夹中标有 "Pixhawk6X "的文件夹。
还提供双向 DShot 固件变体。
布局和尺寸¶
参见 Pixhawk6X 尺寸