JAE JFB-110¶
JAE(日本航空电子工业)JFB-110 (飞行)控制器由日本制造,注重坚固性和可靠性。这款(飞行)控制器的大多数外设都使用载具级防水连接器,而不是更常见的 JST 连接器。它还包括一个载具级 IMU 和高速 TypeC USB。
购买地点¶
JFB-110 可直接从以下网站购买 JAE
特点¶
高速 STM32H755 微控制器
1 个 SCHA63T 和 2 个 TDK InvenSense IIM-42652 IMU
2x MS5611 气压计
内置 iSentek IST8310 磁强计
MicroSD 卡插槽
5 个 UART,外加 USB、RCIN、SBUS_OUT
16 路 PWM 输出
四个 I2C 端口和两个 CAN 端口
外部蜂鸣器(开路/漏极和 33V 输出)
外部安全开关
伺服轨和 Vcc 的电压监控
2 个电源输入端口,用于外接电源块
规格¶
尺寸:67 毫米 x 88 毫米 x 17 毫米
重量:60 克
功耗:低于 3W
输入电压: 4.9V ~ 5.5V
最低/最高温度: -40C ~ +85C
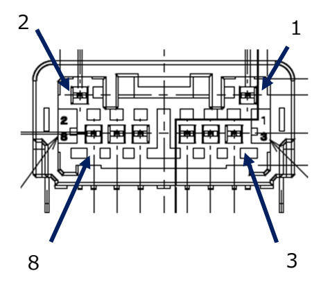
连接器¶
端口名称 |
电路板侧连接器 |
插座外壳 |
插座触点 |
|---|---|---|---|
PWR1、PWR2 |
MX77A008HF1 |
MX77A008SF1 |
MX77S13K5F1 |
101 |
MX77A040HF1 |
MX77A040SF1 |
MX77S13K5F1 |
102 |
MX77A032HF1 |
MX77A032SF1 |
MX77S13K5F1 |
103 |
MX77A012HF1 |
MX77A012SF1 |
MX77S13K5F1 |
PWR1、PWR2 端口引脚分配¶
针脚编号 |
名称 |
详细信息 |
|---|---|---|
1 |
当前 |
0V~3.3V 输入 |
2 |
电压 |
0V~3.3V 输入 |
3 ~ 5 |
VCC |
4.9V ~ 5.5V 输入电压 |
6 ~ 8 |
接地 |
101 端口引脚分配¶
针脚编号 |
名称 |
详细信息 |
1 |
串行 1 TX |
Telem1 |
2 |
串行 1 RX |
Telem1 |
3 |
VCC 外围 5V |
5V |
4 |
VCC 外围 5V |
5V |
5 |
CAN H1 |
CAN1 端口 |
6 |
VCC 外围 5V |
5V |
7 |
串行3 TX |
全球定位系统 |
8 |
I2C1 SCL |
I2C1 端口 |
9 |
安全开关 |
|
10 |
VCC 5V 大功率 |
最大 5V 1.5A |
11 |
VCC 3.3V 大功率 |
最大 3.3V 1A |
12 |
SPI5 SCK |
SPI5 端口 |
13 |
SPI5 MISO |
SPI5 端口 |
14 |
SPI5 MOSI |
SPI5 端口 |
15 |
VCC 外围 5V |
5V |
16 |
VCC 外围 5V |
5V |
17 |
串行4 TX |
GPS2 |
18 |
I2C2 SCL |
I2C2 端口 |
19 |
串行 1 CTS |
|
20 |
串行 1 RTS |
|
21 |
接地 |
|
22 |
接地 |
|
23 |
CANL1 |
CAN1 端口 |
24 |
接地 |
|
25 |
串行 3 RX |
全球定位系统 |
26 |
I2C1 SDA |
I2C1 端口 |
27 |
安全开关 LED |
开路 3.3V / 漏极 |
28 |
蜂鸣器 |
开路/漏极 |
29 |
VCC 3.3V 大功率 |
最大 3.3V 1A |
30 |
串行 5 RX |
RC 输入2 |
31 |
RSSI |
引脚 10 |
32 |
接地 |
|
33 |
序列号6 |
SBUS 输出 |
34 |
RC 输入 |
|
35 |
蜂鸣器 |
打开,5 千欧下拉 |
36 |
SPI5 CS1 |
SPI5 端口 |
37 |
接地 |
|
38 |
接地 |
|
39 |
串行 4 RX |
GPS2 |
40 |
I2C2 SDA |
I2C2 端口 |
102 端口引脚分配¶
针脚编号 |
名称 |
详细信息 |
1 |
VCC 外围 5V |
5V |
2 |
串行 2 TX |
Telem2 |
3 |
串行 2 RX |
Telem2 |
4 |
VCC 外围 5V |
5V |
5 |
CAN H2 |
CAN2 端口 |
6 |
底盘接地 |
|
7 |
FMU CAP1 |
GPIO 66 |
8 |
VCC 外围 5V |
5V |
9 |
I2C4 SCL |
I2C4 端口 |
10 |
PWM 输出 1 |
GPIO 50 |
11 |
PWM 输出 2 |
GPIO 51 |
12 |
PWM 输出 3 |
GPIO 52 |
13 |
PWM 输出 4 |
GPIO 53 |
14 |
VCC 伺服器 |
最大 5V 1.5A |
15 |
接地 |
|
16 |
串行 2 CTS |
|
17 |
串行 2 RTS |
|
18 |
接地 |
|
19 |
CAN L2 |
CAN2 端口 |
20 |
接地 |
|
21 |
FMU CAP2 |
GPIO 67 |
22 |
WDT 故障 |
TTL |
23 |
外部复位 |
TTL |
24 |
ADC 3.3V |
引脚 13 |
25 |
ADC 3.3V |
引脚 12 |
26 |
接地 |
|
27 |
I2C4 SDA |
I2C4 端口 |
28 |
PWM 输出 5 |
GPIO 54 |
29 |
PWM 输出 6 |
GPIO 55 |
30 |
PWM 输出 7 |
GPIO 56 |
31 |
PWM 输出 8 |
GPIO 57 |
32 |
接地 |
用于 PWM OUT |
103 端口引脚分配¶
针脚编号 |
名称 |
详细信息 |
1 |
接地 |
用于 PWM 输出 |
2 |
接地 |
用于 USB |
3 |
USB OTG FS DM |
USB 端口 |
4 |
USB OTG FS DP |
USB 端口 |
5 |
PWM 输出 9 |
GPIO 58 |
6 |
PWM 输出 10 |
GPIO 59 |
7 |
PWM 输出 11 |
GPIO 60 |
8 |
PWM 输出 12 |
GPIO 61 |
9 |
PWM 输出 13 |
GPIO 62 |
10 |
PWM 输出 14 |
GPIO 63 |
11 |
PWM 输出 15 |
GPIO 64 |
12 |
PWM 输出 16 |
GPIO 64 |
UART / 串行¶
港口 |
默认使用 |
CTS/RTS |
DMA |
|---|---|---|---|
串行 0 |
USB |
不适用 |
没有 |
序列号1 |
Telem1 |
是 |
是 |
序列2 |
Telem2 |
是 |
没有 |
序列号3 |
全球定位系统 |
没有 |
没有 |
序列4 |
GPS2 |
没有 |
是 |
序列号5 |
RCin2 |
没有 |
是 |
序列号6 |
SBUS 输出 |
没有 |
是 |
序号7 |
未使用 |
没有 |
是 |
序列号8 |
USB SLCAN |
不适用 |
是 |
RC 输入¶
RC 输入引脚被映射为定时器输入,可用于所有 ArduPilot 支持的接收器协议,但 CRSF/ELRS、FPort 和 SRXL2 除外,它们需要真正的 UART 连接。不过,FPort 以这种方式连接时,可以提供不带遥测功能的 RC。
在 SERIAL5 RX 输入上设置了另一个 RC 输入,除不支持 PPM 外,提供与上述相同的功能。
为了允许在 FPort、CRSF 和 SRXL2 接收器中使用 CRSF 和嵌入式遥测功能,可以将任何具有 DMA 功能的完整 UART 指定为 RC 连接,而不是 PPM 引脚。例如,可将 SERIAL4 重新指定为 RC 输入。
有了这个选项、 serial4_protocol 必须设置为 "23"、 serial5_protocol 必须设置为其他协议,而不是默认的 "23 "协议(一个系统中只允许一个 UART 使用该协议),以及
不支持 PPM。
SBUS/DSM/SRXL 连接到 RX 引脚。
FPort 需要连接到 TX。 serial4_options = 7(TX/RX 反相,半双工)
除 RX 外,CRSF 还需要 TX 连接,并自动提供遥测功能。
SRXL2 需要与 TX 连接,并自动提供遥测功能。设置 serial4_options 到 "4"。
PWM 输出¶
JFB-110 支持多达 16 路 PWM 输出,可进行 PWM 或 DShot 输出
第 1 组 PWM 1 和 2 (TIM15)
第 2 组 PWM 3 和 4 (TIM3)
第 3 组 PWM 5、11、12 和 13(TIM4)
第 4 组 PWM 6、9 和 10 (TIM1)
第 5 组 PWM 7、8 和 15 (TIM5)
第 6 组 PWM 14 和 16 (TIM12)
电池监测器¶
电路板上有 2 个专用电源监控器端口,配有一个 8 针连接器和几个相关参数。这些参数的默认设置应与提供的电源模块相匹配。但是,如果丢失或更改了这些参数:
使用这些参数设置启用电池电量监控器 :
BATT_MONITOR = 4 BATT2_MONITOR = 4
然后重新启动。
BATT_VOLT_PIN = 16
BATT_CURR_PIN = 6
BATT_VOLT_MULT = 18.182
batt_amp_pervlt = 36.364
BATT2_VOLT_PIN = 9
BATT2_CURR_PIN = 18
batt2_volt_mult = 18.182
batt2_amp_pervlt = 36.364
指南针¶
JFB-110 内置 IST8310 罗盘。由于存在潜在干扰,该电路板通常与外部 I2C 罗盘一起使用,作为 GPS/罗盘装置的一部分。
硬件调试¶
JFB-110 调试端口支持 SWD 调试
加载固件¶
电路板预装了与 ArduPilot 兼容的引导加载器,可通过任何与 ArduPilot 兼容的地面站加载 xxxxxx.apj 固件文件。
可以找到这些电路板的固件 这里 在标有 "JFB110 "的子文件夹中。