Pixhawk 6X 飞行控制器

Pixhawk6X® 是 Holybro 成功的 Pixhawk® (飞行)控制器系列的最新升级产品,具有 STM32H7 cpus、IMU 振动隔离、冗余 IMU、独立总线上的双冗余气压计、IMU 加热和用于与配套计算机高速连接的集成以太网。

Pixhawk6X:

./_images/Pixhawk6X.png

购买地点

Pixhawk6 (飞行)控制器由以下公司销售 圣卡罗

Pixhawk6 系列的特点

Pixhawk 6X

Pixhawk 6C

Pix32 v6(即将推出)

设计要点

额外冗余

低调

成本效益

模块化设计,可定制底板

成本效益

模块化设计,可定制底板

处理器

STM32H753

STM32H743

时钟速度

480 兆赫

IO 处理器

STM32F103

IMU 冗余

三重

双人

双人

IMU 温度控制

气压计冗余

双人

不适用

不适用

电源监控器

I2C

模拟

模拟

UART

8

7

7

CAN 总线

2

GPS/Compass 端口

2

UART 流量控制

3 个端口

2 个端口

2 个端口

附加 I2C

以太网支持

没有

没有

SPI 端口

没有

没有

A/D

6.6V、3.3V、RSSI

RSSI

RSSI

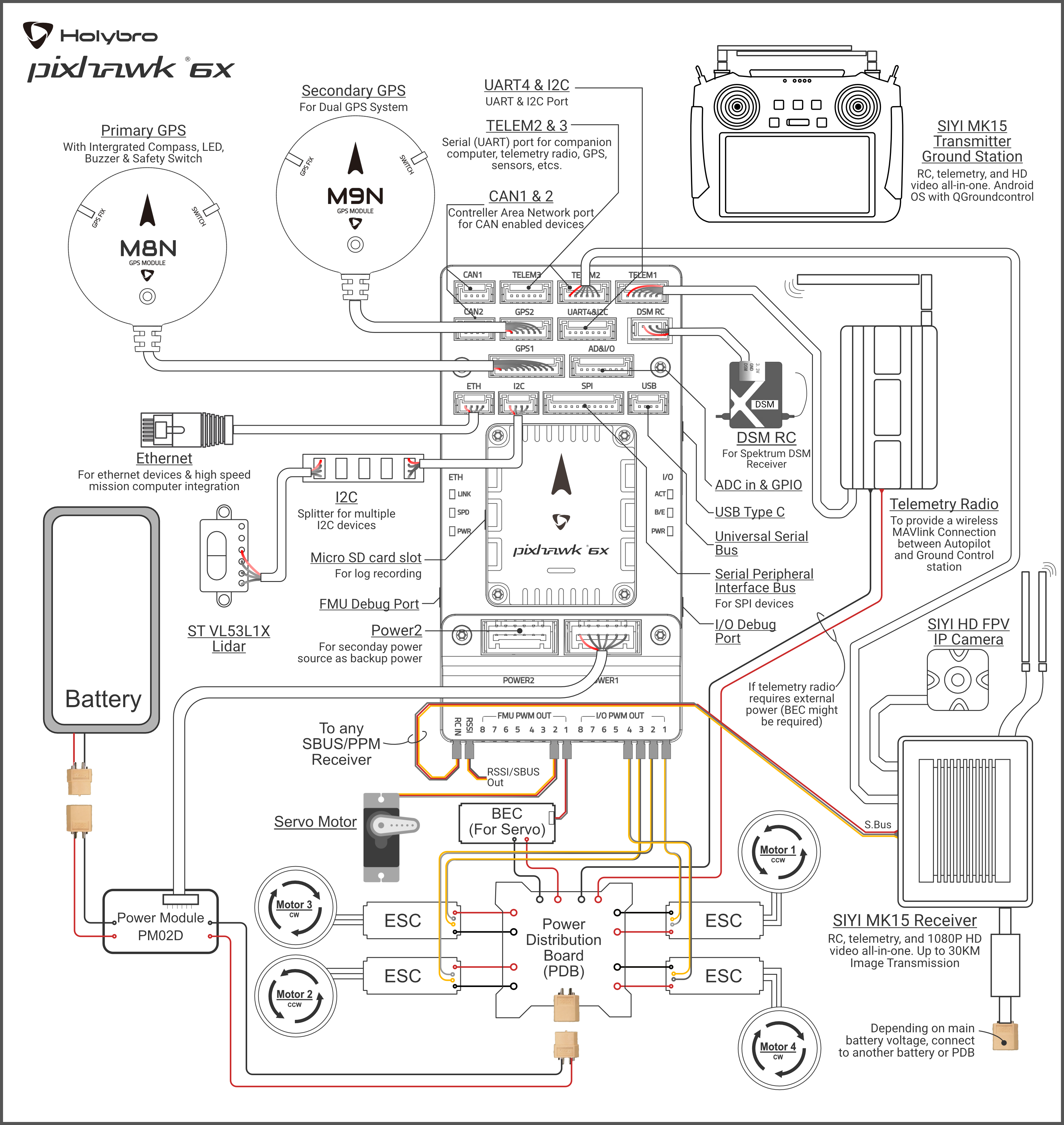
典型接线图

../_images/Pixhawk6X_Wiring.png

备注

所示为重复的遥控和遥测解决方案。通常不使用重复系统。

UART 映射

  • SERIAL0 -> USB

  • SERIAL1 -> UART7 (Telem1) RTS/CTS 引脚

  • SERIAL2 -> UART5 (Telem2) RTS/CTS 引脚

  • SERIAL3 -> USART1 (GPS1)

  • SERIAL4 -> UART8 (GPS2)

  • SERIAL5 -> USART2 (Telem3) RTS/CTS 引脚

  • SERIAL6 -> UART4(用户)

  • SERIAL7 -> USART3(调试)

  • SERIAL8 -> USB(MAVLink,协议变更后可用于 SLCAN)

RC 输入

RCIN 引脚默认映射为定时器输入,可用于所有 ArduPilot 支持的接收器协议,但 CRSF/ELRS 和 SRXL2 除外,因为它们需要真正的 UART 连接。不过,FPort 以这种方式连接时,只能提供 RC 而不提供遥测。

要在 Fport、CRSF 和 SRXL2 接收机中使用 CRSF 和嵌入式遥测技术,接收机连接需要使用完整的 UART,如 SERIAL6 (UART4)。下面是使用串行 6 的设置。

任何 UART 都可用于 ArduPilot 中的遥控系统连接,并与除 PPM 之外的所有协议兼容。请参见 无线电控制系统 了解详情。

PWM 输出

Pixhawk6X 支持多达 16 路 PWM 输出。所有 16 个输出均支持所有正常的 PWM 输出格式。除 7 和 8 外,所有 FMU 输出还支持 DShot。

8 个 FMU PWM 输出分为 4 组:

  • 第 1 组中的输出端 1、2、3 和 4

  • 第 2 组中的输出端 5 和 6

  • 第 3 组中的输出端 7 和 8

同一组中的 FMU 输出需要使用相同的输出率和协议。如果一个组中的任何输出使用 DShot,则该组中的所有通道都需要使用 DShot。

电池监测

电路板上有 2 个带 6 针连接器的专用电源监控器端口。它们与(飞行)控制器随附的 I2C 电源监控器一起使用。

备注

请勿尝试使用Mission Planner地面站设置->可选硬件->电池监控器选项卡为 Pixhawk6X 设置 I2C 电源监控器。默认情况下已经设置了其运行所需的参数:

备注

在 Ardupilot 4.4 及更高版本中,Pixhawk 6X 的 BATT_I2C_ADDR 默认为 0。 这将自动检测 I2C 地址,您无需更改 BATT_I2C_ADDR 参数。

指南针

Pixhawk6X 具有内置指南针。由于存在潜在干扰,(飞行)控制器通常与外部 I2C 罗盘一起使用,作为 GPS/Compass 组合的一部分。

GPIO

8 个 FMU 输出可用作 GPIO(继电器、按钮、RPM 等)。要使用它们,需要设置输出的 SERVOx_FUNCTION 为-1。参见 GPIO 页面获取更多信息。

ArduPilot 中 PIN 变量的 GPIO 编号为

FMU 针脚:

  • PWM1 50

  • PWM2 51

  • PWM3 52

  • PWM4 53

  • PWM5 54

  • PWM6 55

  • PWM7 56

  • PWM8 57

附加 GPIO

  • FMU_CAP1 58

  • NFC_GPIO 59

模拟输入

Pixhawk6X 有两个模拟输入端,一个为 6V 容差,另一个为 3.3V 容差。

  • ADC 引脚 12 -> ADC 6.6V 检测

  • ADC 引脚 13 -> ADC 3.3V 检测

  • 模拟 3.3V RSSI 输入引脚 = 103

连接器

除非另有说明,所有连接器均为 JST GH

参见 Pixhawk6X 底板引脚说明

加载固件

电路板预装了与 ArduPilot 兼容的引导加载器,可通过任何与 ArduPilot 兼容的地面站加载 xxxxxx.apj 固件文件。

可以找到这些电路板的固件 这里 子文件夹中标有 "Pixhawk6X "的文件夹。

还提供双向 DShot 固件变体。

布局和尺寸

参见 Pixhawk6X 尺寸