水下声纳(模拟)¶
本页详细介绍了低成本模拟水下声纳(又称 "探鱼器")和数字转换器的设置,数字转换器可将模拟读数转换成 NMEA 0183,供 ardupilot 读取。这种设置可以测量船下的水深。所述传感器的最大探测距离为 300 米,波束宽度为 22 度。
这些说明由 OlavA 在这篇 ardupilot.org 博文的底部
图片来源:lowarnace.com 和 actisense.com
备注
Rover-3.4 添加了对该传感器的支持。
推荐硬件¶
Lowrance HST-WSBL 83/200 kHz 船底安装传感器 可从许多零售商处购买,包括 亚马逊网站.其他传感器也可以使用。
DST-2 200kHz 数字转换器 可从 许多零售商 包括 Navstore.com (手册)
连接和配置¶
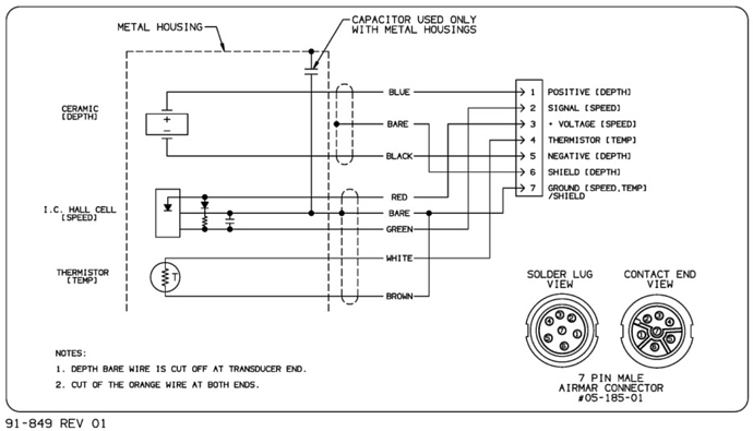
下图显示的是 airmar 模拟传感器的引脚输出,但与 Lowrance HST-WSBL 的引脚输出相同
应将 Lowrance HST-WSBL 引脚连接到 DST-2 右侧的引脚上,如下图所示。请注意,Lowrance HST-WSBL 没有速度传感器,因此只需连接引脚 1 和 4-7
DST-2 需要 10V 至 28V 的电源,这意味着它可以使用 3S 或 4S 锂电池供电。
接下来应将 DST-2 左侧的引脚(串行和 RS-232 输出)连接到(飞行)控制器的遥测/串行输入端。最简单的连接方法是将 DST-2 的 5V 串行输出直接连接到(飞行)控制器遥测端口的 Tx、Rx 和公共接地。连接前最好查阅 DST-2 文档,但下面显示了 Pixhawk(或其他(飞行)控制器)的遥测引脚应如何连接到 DST-2 左侧的引脚。
通过地面站连接(飞行)控制器并设置以下参数(这些设置假定第一个传感器连接到 Telem2/Serial2)
serial2_protocol = 9(激光雷达)
SERIAL2_BAUD = 4(4800 波特)
然后应设置以下测距仪相关参数:
RNGFND1_TYPE = 17(NMEA)
RNGFND1_MIN_CM = 13
RNGFND1_MAX_CM =30000(即 300 米)。 这是测距仪能够可靠读取的距离(厘米)。
RNGFND1_ORIENT = 25(即向下),如果安装在船上
测试传感器¶
传感器读取的距离可在Mission Planner地面站飞行数据屏幕的状态选项卡中查看。仔细查看 "sonarrange"(声纳范围)。